Click to enlarge

CLICK ON THE THUMBNAIL OF THE PARTS SECTION YOU NEED



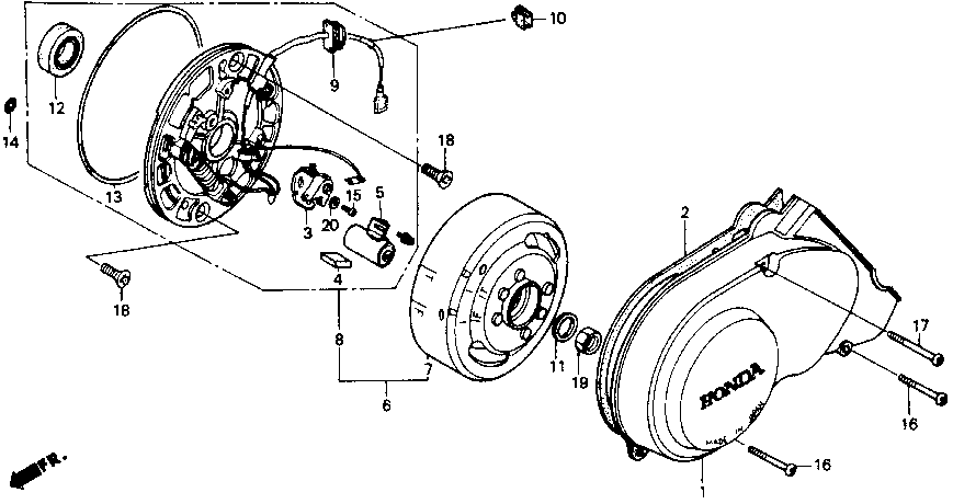
@ TRANSMISSION (3_SPEED_AUTO) (Z50A_1968_TO_1978) (Z50R_1979_TO_1999) (ATC70_1978_TO_1981)  (CT70_1968_TO_1994) (CT70K0_TO_1994)  (C70_1980_TO_1983)
@ Z50R'S_TO_1987 ALTERNATOR LEFT_COVER
@ AIR CLEANER
@ BRAKE PEDAL
@ CAM CHAIN
@ TRANSMISSION (3_SPEED_AUTO) (Z50A_1968_TO_1978) (Z50R_1979_TO_1999) (ATC70_1978_TO_1981) (CT70_1968_TO_1994) (CT70K0_TO_1994) (C70_1980_TO_1983)


@ Z50R'S_TO_1987 ALTERNATOR LEFT_COVER


@ AIR CLEANER


@ BRAKE PEDAL


@ CAM CHAIN


@ CAMSHAFT_&_VALVES Z50AK0_TO_1981 (041_HEADS)
@ Z50AK3_TO_1987 CLUTCH_PARTS
@ LEVERS
@ CASES
@ CRANK
@ CAMSHAFT_&_VALVES Z50AK0_TO_1981 (041_HEADS)


@ Z50AK3_TO_1987 CLUTCH_PARTS


@ LEVERS


@ CASES


@ CRANK


@ CYLINDER
@ HEAD COVER
@ FRAME
@ FR BRAKE PANNEL
@ FORK
@ CYLINDER


@ HEAD COVER


@ FRAME


@ FR BRAKE PANNEL


@ FORK


@ FR WHEEL
@ TANK & SEAT
@ DRUM
@ HANDLEBAR
@ MUFFLER
@ FR WHEEL


@ TANK & SEAT


@ DRUM


@ HANDLEBAR


@ MUFFLER


@ RR BRAKE
@ RR FENDER
@ REAR SHOCK
@ RR WHEEL
@ R COVER
@ RR BRAKE


@ RR FENDER


@ REAR SHOCK


@ RR WHEEL


@ R COVER


@ STAND
@ SWING ARM
@ KICK_STARTER_PARTS (Z50'S_TO_92)  (CT70'S_TO_78)
@ FRONT SHOCK
@ CARBURETOR
@ STAND


@ SWING ARM


@ KICK_STARTER_PARTS (Z50'S_TO_92) (CT70'S_TO_78)


@ FRONT SHOCK


@ CARBURETOR