Click to enlarge

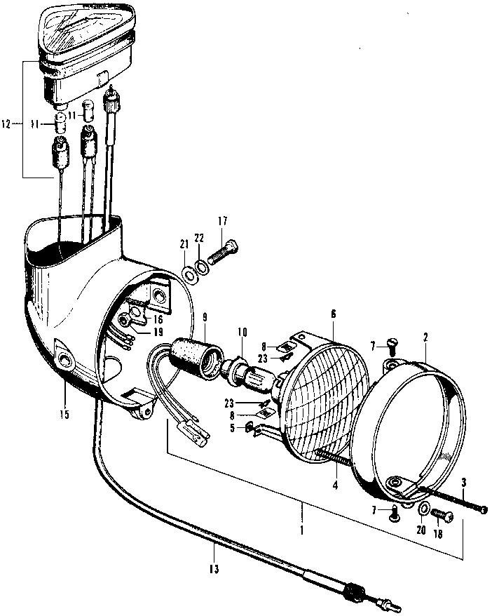
CLICK ON THE IMAGE TO GET THE INDEX NUMBER YOU NEED

*

THEN CLICK BACK AND HIT THE ORDER BUTTON OF THE PART

*

IF THERE IS AN OPTION DROP DOWN BOX, BE SURE TO PICK !!

*

CLICK ON ANY PART FOR MORE DETAILED DISCRIPTION (BE CAREFUL)



@ _ #1


@ e HEADLIGHT ASSY FOR CT70K0_HK0 Z50AK3_THRU_1978 CL70_KO_MODEL<p>(CT90K0_K1_ONLY SMALLER)  (OFF_ROAD_USE_ONLY)  (AFT.051) (S1292)
@ e HEADLIGHT ASSY FOR CT70K0_HK0 Z50AK3_THRU_1978 CL70_KO_MODEL

(CT90K0_K1_ONLY SMALLER) (OFF_ROAD_USE_ONLY) (AFT.051) (S1292)

AFT.051 (S1292)
@ _#2


@ _#3


@ *HEADLIGHT ADJUSTING SCREW KIT (CT90K2_TO_1979) (CT110_ALL) (CT70KO_to_1982) (ALL_ST90) 7/20A  (7H-3P)
@ *HEADLIGHT ADJUSTING SCREW KIT (CT90K2_TO_1979) (CT110_ALL) (CT70KO_to_1982) (ALL_ST90) 7/20A (7H-3P)

7H-3P/33117/33107/33102
@ _#4


@ _#5


@ _#6


@ *HEADLIGHT LENS_UNIT CT70K0/HK0 33120-089-671 7/20M (10E) temp out of stock
@ *HEADLIGHT LENS_UNIT CT70K0/HK0 33120-089-671 7/20M (10E) temp out of stock

10E
@ _#7


@ *COMPLETE HEADLIGHT SCREW KIT CT90K2 THRU CT110/ALL CT70KO_to_1982  7/21AM  (7H-9P)
@ *COMPLETE HEADLIGHT SCREW KIT CT90K2 THRU CT110/ALL CT70KO_to_1982 7/21AM (7H-9P)

7H-9P/33117/33107/33102/94251x2/33128x2/33125x2
@ _#8


@ _#9


@ HEADLIGHT_SOCKET Z50K1/78  CT70K0_HK0 CT90KO_K1 ALL_ATC90'S REPLACES 33130-051-690 33130-030-810 1/21T (23L)
@ HEADLIGHT_SOCKET Z50K1/78 CT70K0_HK0 CT90KO_K1 ALL_ATC90'S REPLACES 33130-051-690 33130-030-810 1/21T (23L)

23L
@ _#10


@ 6V_15W_15W Headlight_Bulb (sold_each)  (atc90) (10A) (BULB110)
@ 6V_15W_15W Headlight_Bulb (sold_each) (atc90) (10A) (BULB110)

BULB110
@ _#11


@ 6_VOLT_1.7W DASH_BULB REPLACES_OEM_# 34908_230_000 (BULB_51) (BULB101)
@ 6_VOLT_1.7W DASH_BULB REPLACES_OEM_# 34908_230_000 (BULB_51) (BULB101)

BULB101
@ 6_VOLT_3W  DASH_BULBS  SPEDO_LIGHTS REPLACES_OEM_#  34902_202_000 (SOLD_EACH)  (A62)  (B40A) (BULB104)
@ 6_VOLT_3W DASH_BULBS SPEDO_LIGHTS REPLACES_OEM_# 34902_202_000 (SOLD_EACH) (A62) (B40A) (BULB104)

BULB104
@ _#12


@ CT70K0 CT70HK0 SPEED-O-METER 6V OR 12V (PICK_YOUR_VOLTAGE) (CT7/SPED/8xTM10)(S1284)
@ CT70K0 CT70HK0 SPEED-O-METER 6V OR 12V (PICK_YOUR_VOLTAGE) (CT7/SPED/8xTM10)(S1284)

CT7/SPED/8xTM10 (S1284)PICK_VOLTAGE_HERE: 
@ e *OEM HONDA SPEEDO GASKET (CT70K0/HK0)  (CT90K1_ONLY) CL90 SL90 S90 61313-028-000 1/22M (61M)
@ e *OEM HONDA SPEEDO GASKET (CT70K0/HK0) (CT90K1_ONLY) CL90 SL90 S90 61313-028-000 1/22M (61M)

61M
@ _#13


@ CT70K0_CT70HK0 SILVER_SPEDO_CABLE (AFT0009SILVER) (S1329)
@ CT70K0_CT70HK0 SILVER_SPEDO_CABLE (AFT0009SILVER) (S1329)

AFT0009SILVER (S1329)
@ _#14


@ _#15


@ **HEADLIGHT_BUCKET (CANDY_RUBY_RED) OEM_HONDA_PART  (CT70K0-HK0) (RUBY RED)<p>61301-056-672ZA 1/21M (RUBY-HLB)  (S1001)
@ **HEADLIGHT_BUCKET (CANDY_RUBY_RED) OEM_HONDA_PART (CT70K0-HK0) (RUBY RED)

61301-056-672ZA 1/21M (RUBY-HLB) (S1001)

S1001
@ _ (CT70K0_HK0) (S90) SAPHIRE_BLUE HEADLIGHT_BUCKET  (SEE_DISCRIPTION)  1/22P (400109W/BUSH)(S1290)
@ _ (CT70K0_HK0) (S90) SAPHIRE_BLUE HEADLIGHT_BUCKET (SEE_DISCRIPTION) 1/22P (400109W/BUSH)(S1290)

400109W/BUSH (S1290)
@ _ (CT70K0_HK0) (S90) RUBY_RED HEADLIGHT_BUCKET  (SEE_DISCRIPTION)  1/22P (400111W/BUSH)
@ _ (CT70K0_HK0) (S90) RUBY_RED HEADLIGHT_BUCKET (SEE_DISCRIPTION) 1/22P (400111W/BUSH)

400111W/BUSH
@ CHROME HEADLIGHT BUCKET (BUCKET_ONLY) (CT70K0_CT70HK0) (CL70K0) (CT90K1_ONLY) (S90_CL90_SL90) (S1287)
@ CHROME HEADLIGHT BUCKET (BUCKET_ONLY) (CT70K0_CT70HK0) (CL70K0) (CT90K1_ONLY) (S90_CL90_SL90) (S1287)

CHROME/BUCKET (S1287)
@ _#16


@ _#17


@ e *HEADLIGHT PIVOT BOLT CT70KO 8X25MM 1/20A (49B)
@ e *HEADLIGHT PIVOT BOLT CT70KO 8X25MM 1/20A (49B)

49B
@ _#18


@ *PAN_HEAD_SCREW  5MM_X_12MM 5_x_12 93500-05012-0A 1/22M (B47L)
@ *PAN_HEAD_SCREW 5MM_X_12MM 5_x_12 93500-05012-0A 1/22M (B47L)

B47L
@ _#19


@ e *HL_CASE NUT CT70KO ALL Z50K3to78 61303-105-000 1/22M  (49D)
@ e *HL_CASE NUT CT70KO ALL Z50K3to78 61303-105-000 1/22M (49D)

49D
@ _#20


@ *5MM_SPECIAL_THICK POINTS_PLATE_WASHER 90CC_MODELS 90482-028-000 1/22A (267L)
@ *5MM_SPECIAL_THICK POINTS_PLATE_WASHER 90CC_MODELS 90482-028-000 1/22A (267L)

267L
@ _#21


@ e 8mm STAINLESS STEEL FLAT WASHER (833410)
@ e 8mm STAINLESS STEEL FLAT WASHER (833410)

833410
@ _#22


Click to enlarge
@ *OEM_HONDA_SILVER SPRING_TYPE LOCK_WASHER_8MM 1/14A (B63C)

B63C
@ _#23