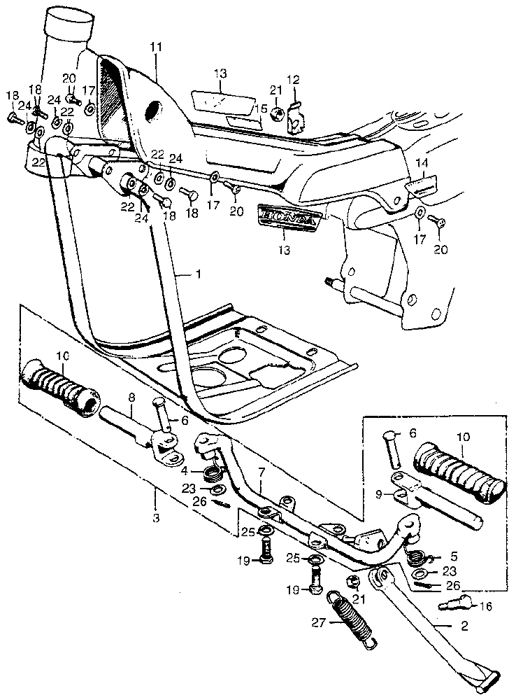
Click to enlarge

CLICK ON THE IMAGE TO GET THE INDEX NUMBER YOU NEED

*

THEN CLICK BACK AND HIT THE ORDER BUTTON OF THE PART

*

IF THERE IS AN OPTION DROP DOWN BOX, BE SURE TO PICK !!

*

CLICK ON ANY PART FOR MORE DETAILED DESCRIPTION (BE CAREFUL)



@ *COMPLETE OEM FOOT REST W/SIDE STAND !!!(((KIT)))!!! !!!(((SEE_DISCRIPTION)))!!! (ALL_CT90_CT110'S)
@ *COMPLETE OEM FOOT REST W/SIDE STAND !!!(((KIT)))!!! !!!(((SEE_DISCRIPTION)))!!! (ALL_CT90_CT110'S)

@ _ #1

@ _#2

@ _#3

@ _#4

@ _#5

@ _#6

@ *CT70KO_CT110 FOLDING_FOOTPEG PIVOT_PIN 50603-033-010 1/22A  (206S)
@ *CT70KO_CT110 FOLDING_FOOTPEG PIVOT_PIN 50603-033-010 1/22A (206S)

@ _#7

@ _#8

@ _#9

@ _#10

@ _#11

@ _#12

@ _#13

@ _#14

@ _#15

@ _#16

@ _#17

@ _#18

@ _#19

@ _#20

@ _#21

@ _#22

@ _#23

@ _#24

@ _#25

@ _#26

@ _#27

@ _#28

@ _#29

@ _#30

@ _#31

@ _#32

@ _#33

@ _#34